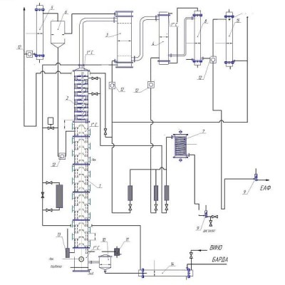
ТКП пропонується відома технологія переробки крахмалосодержащего сировини - зерна в етанол.
Пропонована технологія містить наступні елементи новизни:
Утилізація газів бродіння ТКП не розглядається через високу енергоємність, але може бути детально розроблена при наявності інтересу потенційних інвесторів у виробництві вуглекислого газу на наступних етапах реалізації проекту.
Технологія комплексної переробки зернової сировини приведена тільки описово, але може бути детально розроблена при наявності інтересу потенційних інвесторів у виробництві лінійки харчових продуктів і кормів на наступних етапах реалізації проекту.










